Главная _
Анемостат со стеклянной внешней частью FOZA D 125 мм. Матовое стекло 180х180 мм. Цвет Белый RAL 9003
Анемостат со стеклянной внешней частью FOZA D 125 мм. Матовое стекло 180х180 мм. Цвет Белый RAL 9003
-24%
Описание:
- Стеклянные круглые и квадратные дизайнерские анемостаты (диффузоры) FOZA.
- Правильные геометрические формы придают завершённый вид.
- Анемостаты FOZA вписываются в любой интерьер.
- Особенности анемостатов FOZA: Широкая палитра 200 цветов.
- Благодаря технологии обработки стекла Optiwhite не искажается цветопередача.
- Анемостаты FOZA круглые и квадратные.
- Лицевая часть анемостатов FOZA изготавлена из специального стекла Optiwhite.
- Преимущество стекол Optiwhite:
- правильная цветопередача.
- максимальная пропускная способность света;
- отсутствие зеленоватого оттенка, присущего обычному стеклу;
- повышенная степень прозрачности.
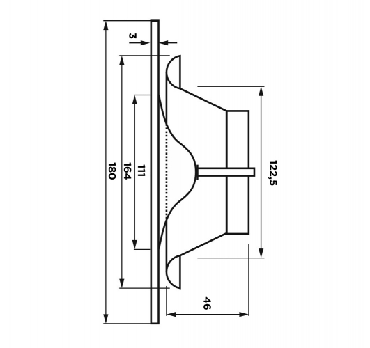
Характеристики:
| Модель: | Ф посадочный мм | внешний размер |
| FOZA-100 | 100 | 160х160 |
| FOZA-125 | 125 | 180х180 |
| FOZA-150 | 150 | 180х180 |
| FOZA-160 | 160 | 200х200 |
Модель | Размеры, мм | |||
D1 | D2 | D | d | |
FOZA-100 | 136 | 160 | 129 | 98,5 |
FOZA-125 | 156 | 180 | 154 | 124 |
FOZA-150 | 209 | 260 | 189 | 148 |
FOZA-160 | 240 | 260 | 229 | 158 |
| Производитель: | FOZA |
| Цвет: | белый |
| Особенности: | Регулируемые диффузоры |
| Страна производства: | Россия. |
| Серия: | Стеклянные Анемостаты FOZA |
Авторизуйтесь, чтобы оставить отзыв: Войти








